摘要:介紹了以石墨M106H為材料的密封環的研磨加工,重點介紹了研具、研磨劑及工藝步驟.
關鍵詞:密封環 石墨 研磨
Abstract:This paper describes the Grinding of graphite M106H parts. It emphasizes the abrasive tool,abrasive material and technological procedure.
Keywords:sealingring Graphite grinding
1 概述
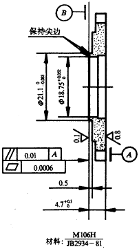
我單位生產的幾種航空輸油泵中都有以石墨M106H為材料的密封環類零件,其典型零件如下圖所示.此零件為端面密封工作方式,B面為密封面,此面精度要求很高.加工B面時,精密車削達不到要求,而此石墨為脆性材料,還含有環氧樹脂,又不能磨削,經分析決定采用研磨加工.在無資料借鑒的情況下,我們對此類石墨零件的研磨進行了工藝試驗,最后得出了較理想的工藝方法,達到了零件的要求。

2 工藝分析
零件的工藝路線:粗車→銑兩槽→精車→研磨B面。
從上面的工藝路線可知:研磨B面要保證表面粗糙度Ra0.1μm、平行度0.01mm、平面度0.0006mm.先采用常規干研磨加工,表面粗糙度和平面度這兩要素全不合格,平面度的實測值競高達要求值的4~7倍,即0.0024~0.0042mm。
接下來就從材料特性著手分析,M106H為浸漬石墨類,肖氏硬度60,抗壓強度117.6MPa,抗彎強度49MPa.經過工藝試驗,采用了微層擠壓原理.具體方法是:將經過濾的微粉和煤油嵌入研磨平板后,再用拋光膏將平板表面的微粉粗粒拋掉,使突出平板表面的微粉顆粒拋平、高度一致.然后,將零件直接放在這樣的平板上研磨,這樣,平板就能對B面進行均勻一致地微層擠壓式切削。
3 加工步驟
零件到位為精車加工,尖邊有局部塌邊,研磨工藝步驟如下:
① 整理加工場地,使環境潔凈.將研磨平板、零件徹底清洗干凈,這一步對保證加工成功非常重要。
② 粗研平板.選3塊300mm×300mm不開槽的鑄鐵平板,最好選用低合金高磷鑄鐵平板.因為此平板的金相組織為片狀石墨和細片狀珠光體,更容易使被研件獲得較高的形位精度和表面粗糙度.用W20微粉加煤油對研平板。為便于敘述,3塊平板編號為1、2、3,用分數表示對研方法,分子表示上平板,分母表示下平板,按以下順序對研:1/2→1/3→2/3→2/1→3/1→3/2,按此順序循環:
③ 精研平板.用W7微粉仍按上述順序對研.研完后,用200mm一級刀口平尺檢查,應不透光或壓痕均勻;也可用Φ80mm光學平晶檢查,應不多于一條光波干涉帶,并呈勻微凸.應注意:經粗、精對研后,已有大量微粉嵌入平板氣孔中,這些微粉對切削石墨已足夠,不再進行壓砂工序。
④ 拋光平板.將4層綢布鋪在一塊已研好的平板上,用煤油將綢布澆透,再用W7氧化鉻拋光膏將另2塊研好的平板分別在綢布上拋光.拋光的作用是拋掉平板上的微粉粗粒,并使嵌入平板的微粉分布高度一致.同時,提高平板的表面粗糙度,使其小于Ra0.1μm.此工序是本工藝方法的關鍵。
⑤ 在經拋光的2塊平板上滴1~3滴煤油和儀表油,用棉花將油在平板上涂抹均勻,過3min后,將平板表面的油層擦凈.這樣,滲入平板氣孔中的煤油和微粉就均勻的混合,形成了加工石墨的微層切削液。
⑥ 將零件放在平板上進行循環的螺旋狀運動,兩手用力平穩一致,通過微層擠壓式切削,完成平面B的研磨.注意勤擦平板,及時除去研屑和污物。
⑦ 零件研完后,用干凈綢布或脫脂棉輕輕擦去研磨殘屑.注意不能用油液清洗,經試驗發現,油液浸入后,零件的表面粗糙度變差。
4 技術效果
采用上述工藝加工后,經檢測q保證了零件的平面度0.0006mm、Ra0.1μm及其它要求.到現在為止,這幾種輸油泵的石墨密封環共進行了20多批次加工,完全滿足了圖紙要求,工藝效果穩定。